Zapper
Der Begriff Zapper bezeichnet eine Gruppe von elektrischen Geräten, die über zwei Elektroden, die mit der Hautoberfläche in Verbindung gebracht werden, schwache Wechselstromimpulse abgeben. Diesem elektrischen Strom wird von den Zapper-Befürwortern beleglos eine gesundheitsfördernde Wirkung zugesprochen. Angeblich soll er eine selektiv schädigende Wirkung auf alle möglichen Bakterien, Viren und andere Mikroorganismen haben, ohne jedoch körpereigenes Gewebe zu schädigen. Von manchen Anbietern wird empfohlen, die Zapperanwendung mit der Anwendung kolloidalen Silbers zu kombinieren, dem eine ähnliche Wirkung nachgesagt wird.
Zapper spielten eine Rolle im Behandlungsspektrum der amerikanischen Wunderheilerin Hulda Clark (1928 - 2009) und es zeigen sich Bezüge zu Elektroakupunktur, Radionik und Bioresonanz. Manche Anwender sprechen auch von "Bioelektrifikation". Zapper und kolloidales Silber sind auch in politisch rechten oder braun-esoterischen Kreisen als angeblich nutzbare Alternative zu therapeutischen Ansätzen der wissenschaftlichen Medizin im Gespräch.
Aufbau und Funktionsprinzip
Zapper geben eine meist rechteckförmige Wechselspannung oder pulsierende Gleichspannung von wenigen (bis etwa 35) Volt ab. Überwiegend sind die Geräte batteriebetrieben und mit stabförmigen Elektroden ausgestattet, die in die Hände genommen werden müssen. Bei einigen Modellen müssen leitfähige Armbänder angelegt werden. Die Frequenz der Wechselspannung ist bei einfachen Geräten schaltungstechnisch auf einen Wert festgelegt; bei anderen Modellen lässt sie sich einstellen. Über die optimale Frequenz herrscht keine Einigkeit unter den Anwendern. Typisch sind 10 bis 30 kHz; es gibt aber auch Zapper mit höherer und mit sehr viel niedrigerer Frequenz. Bei einigen Geräten ist die Frequenz auch variabel oder ändert sich selbsttätig.
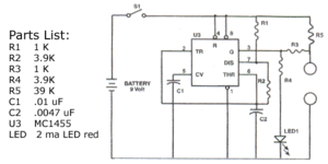
Neben kommerziell vertriebenen Zappern finden sich im Internet auch zahlreiche Bauanleitungen, die aufzeigen, wie einfach Zapper konstruiert sind. Meist enthalten sie nicht viel mehr als einen Oszillatorchip vom Typ 555 (Wert unter 1 Euro) sowie einige Widerstände, Kondensatoren und bunte LED-Lämpchen.
Bei Betrachtung der entsprechenden Empfehlungen und Meinungen wird klar, dass es nicht überbrückbare Widersprüche innerhalb der Szene gibt, die sich aus dem Defizit an überprüfbaren Fakten zum Thema und einer fehlenden theoretischen Basis ergeben. Nicht nur hinsichtlich der Frequenz, auch über den günstigsten Wert der abzugebenden Spannung herrscht keine Einigkeit. Einige Anbieter versuchen ihre Zapper gegenüber der klassischen Konstruktion, die eine pulsierende Gleichspannung abgibt, dadurch als überlegen darzustellen, dass ihre Geräte eine echte symmetrische Wechselspannung abgeben. Das erfordert in der rechts abgebildeten Schaltung allerdings nur einen zusätzlichen Kondensator im Wert von 20 Cent. Bei einigen Modellen ist der Gleichspannungsanteil auch einstellbar, z.B. auf 25% der Impulshöhe.
Die an die Hautelektroden angelegte Wechselspannung führt zu einem Stromfluss durch den Körper. Dessen Stärke ist aufgrund unterschiedlicher Hautwiderstände allerdings sehr variabel und außerdem von der Kontaktfläche der Elektroden abhängig und daher kaum vorhersagbar. Bei den üblichen Zappern ist mit Stromstärken in der Größenordnung von 1 mA zu rechnen.
Der Stromfluss soll sich im Unterhautfettgewebe und Bindegewebe fortsetzen und bis zu tieferliegenden Blutgefäßen (insbesondere Hautvenen) reichen (siehe auch: Blutelektrifizierung). Die Zapperanwender glauben, dass die zu bekämpfenden Krankheitserreger in den Blutgefäßen durch diesen Strom zerstört würden ("platzen"), ohne dass körpereigene Zellen gleichzeitig darunter litten. Die Tatsache jedoch, dass ein erwachsener Mensch etwa 2 Kilogramm an (meist harmlosen) Bakterien mit sich herumträgt und deren Zahl möglicher Weise das Zehnfache der Zahl der Körperzellen beträgt (Bakterien sind viel kleiner als typische Körperzellen - nach neueren Angaben jedoch nur etwa 1,3 fach[1]), macht die Angaben zum Funktionsprinzip unhaltbar. Eine effektive "elektrische Ausrottung" oder ein "elektrischer Sterilisationsversuch" durch Zapper hätte schädliche Folgen für den menschlichen Organismus, da viele Bakterienarten auch nützliche Funktionen im Körper haben. Es bleibt völlig schleierhaft, wieso das Zapperverfahren selektiv nur pathogene Erreger schädigen soll und nicht auch andere. Ebenso unerklärlich bleibt, wie das Anlegen eines Zappers am Unterarm beispielsweise das Wachstum von Keimen in der Blase oder Lunge beeinflussen soll. Nach Ansicht der "Energiemediziner" Hendrik Treugut und Manfred Doepp sollen Zapper durch den "abgestrahlten Skalarwellenanteil" wirken.[2] Skalarwellen sind eine der Physik nicht bekannte Form elektromagnetischer Wellen, deren Existenz aber von zahlreichen Pseudowissenschaftlern behauptet wird, in Deutschland vor allem von Konstantin Meyl. Tatsächlich strahlt ein Zapper nicht einmal herkömmliche elektromagnetische Wellen ab, sondern liefert nur ein elektrisches Signal.
Verschiedene Zapper-Typen
Die Zahl der hergestellten Typen und unterschiedlichen Handelsbzeichnungen ist unüberschaubar. Die folgende Liste stellt eine kleine Auswahl dar:
- Beckzapper: Ein Gerät zur "Blutreinigung" des US-amerikanischen Physikers und Privatforschers Robert Beck. Dieser Zapper arbeitet mit einer relativ niedrigen Frequenz von 3,92 Hz. Diese "halbe Schumann-Frequenz" stünde "in Harmonie mit körpereigenen Rhythmen".
- BioWave: Zapper der Firma Medi-Gen in 83556 Griesstätt, deren Frequenz von 1 Hz bis 1 MHz programmierbar ist. Dazu sind Chipkarten mit gespeicherten Frequenzen erhältlich, die für einige Erreger auch genannt werden, z.B. 378,95 kHz bis 382,00 kHz gegen Borrelia burgdorferi, bei anderen Erkrankungen wie Migräne oder Hepatitis C aber Werksgeheimnis sind. Das Gerät wird auch zur Raucherentwöhnung beworben. Mit einem anschließbaren Zusatzgerät könne kolloidales Silber hergestellt werden.
- BlueSun: Handelsname für einen Beckzapper.
- Blutbehandlung nach Steven Kaali: Eine Form der Blutelektrifizierung (ausführliche Darstellung siehe dort), bei der Blut am Arm abgenommen und nach Durchfließen einer Kammer, in dem es einem elektrischen Wechselfeld ausgesetzt ist, dem Körper wieder zugeführt wird. Die Methode weicht insofern von den üblichen Zappern ab, als sie nicht rein äußerlich angewendet wird und medizinisch geschulte Anwender erfordert. Behauptet wird aber gleichermaßen, dass sie sämtliche Bakterien und Viren einschließlich HIV sowie Pilze und andere Parasiten unschädlich mache.[3]
- Blutzapper: Andere Bezeichnung für den Beckzapper.
- Clarkzapper: Der Name stellt lediglich einen Bezug zu Hulda Clark her, sagt aber nichts über die Ausführung.
- Digetron 1000: ein Luxuszapper der Firma Medi-Gen für 7600 Euro, dessen Frequenz und Ausgangsspannung in weiten Grenzen einstellbar ist. Außerdem seien "alle ca. 350 namentlich erfaßten pathogenen Frequenzen nach Frau Dr. Hulda Clark und über 5000 Frequenzen nach Dr. Rife" "alphabetisch abrufbar".
- Don Croft hat ebenfalls einen Zapper vorgeschlagen.
- Herpes-Zapper: Soll speziell gegen Herpesviren wirken. Es werden folgende Frequenzen genannt: 292 kHz gegen Herpes simplex an den Lippen, 356 kHz gegen Herpes simplex im Genitalbereich und 418 kHz gegen Herpes zoster.
- Multifrequenz-Zapper, auch Multizapper: Erzeugt "26 Grundfrequenzen in einem Bereich von ca. 10 kHz bis 41 kHz", die automatisch nacheinander durchlaufen werden.
- Orgonzapper: Ein Zapper, in den allerlei zusätzliches esoterisches Klimbim eingebaut ist, z.B. "Orgonit", Heilsteine, "Skalarwellen-Spulen", Magnete, usw. Der Name nimmt Bezug auf Wilhelm Reichs Orgon-Hypothese.
- Powertube: Ein Zapper von Martin Frischknecht, bei dem die Elektronik in eine dicker ausgeführte Handelektrode eingebaut ist. Siehe auch QuickZap.
- QuickZap: Ein Zapper von Martin Frischknecht.
- Raycer: Ein von der Firma i-health vertriebenes und auch als "interaktiver Zapper" bezeichnetes Gerät, das mit Hilfe einer Messung der Körpertemperatur selbsttätig die optimale Arbeitsfrequenz finden soll.
- VariZapper: Der Name soll ausdrücken, dass verschiedene Frequenzen programmierbar sind.
- Zappicator: Ein flacher Kasten aus Holz oder Kunststoff, auf den Lebensmittel gelegt werden sollen, um sie von Schadstoffen und Krankheitserregern zu reinigen. Der Kasten enthält als wesentliche Komponente einen Lautsprecher, dessen Magnet bei der Wirkung eine Rolle spielen soll. Der Lautsprecher ist mit einem eingebauten oder externen Zapper elektrisch verbunden, allerdings mit nur einem Draht statt zweien und somit völlig ohne Funktion. Dennoch sei wichtig, dass der angeschlossene Zapper ein Modell mit einer Frequenz von 1 kHz ist und nicht eine höherfrequente Ausführung.
- Zahn-Zappicator (Tooth Zappicator): Eine kleine Spule mit Magnetkern am Ende eines Zahnbürsten-Stiels, die ebenfalls einpolig und somit funktionslos mit einem 1 kHz-Zapper verbunden wird. Einige Minuten gegen die Zahnleiste gehalten, soll der Zahn-Zappicator den Kiefer von schädlichen Metallen und Bakterien "reinigen". Außerdem könne man damit Zahnfüllungen aus Kunststoff "härten".
- Biothron, eine Zappervariante, die von Andreas Kalcker beworben wird.
Verschwörungstheorien
Entwickler und Verkäufer von Zapper-Produkten berufen sich häufig auf nicht näher bezeichnete Regierungsstellen, die angeblich Unterlagen vernichtet hätten, die die Wirksamkeit bestätigen sollen. Des Weiteren kursieren in Zapperkreisen Gerüchte um angeblich "unterdrückte" Forschungsunterlagen und Drangsalierungen von auf diesem Gebiet Forschenden. Tatsache ist, dass mehrere der auf dem Markt befindlichen Geräte keine Zulassung besitzen und häufig Gesetzesverstöße (gesundheitsbezogene Werbung) zu beobachten sind.
Tod der krebskranken Zapper-Anwenderin Ursula Kühnel
Die deutsche Patientin Ursula Kühnel hatte Gebärmutterkrebs, brach 2003 ihre Bestrahlungstherapie ab und ließ sich von da ab nur noch von ihrer Ärztin Sigrid T. weiterbehandeln, die ihr eine Zapper-Anwendung gegen ihren Krebs verschrieb und von einer Weiterbehandlung im Krankenhaus abriet. Zusätzlich durfte Frau Kühnel nicht mehr telefonieren oder fernsehen, weil angebliche Strahlung nach Meinung ihrer Ärztin den Krebs wachsen ließe. Alle Blumen mussten aus ihrer Wohnung entfernt werden, weil in der Erde gefährliche Bakterien lauern sollten. Zwei Wochen später starb Ursula Kühnel, ein Rechtsanwalt wurde eingeschaltet. Gegen die Zapper-Ärztin wurde ermittelt, diese wurde verwarnt und zu einer Strafe von 3.000 Euro verurteilt. Die Familie Kühnel ging in Berufung und in der Berufungsverhandlung wurde die Ärztin mit einem Verweis und einer Geldstrafe von 12.000 Euro bestraft (9000 Euro mehr, als das Verwaltungsgericht in Münster zwei Jahre vorher entschieden hatte). Bestraft wurde die Ärztin, weil sie unter anderem die sterbenskranke Mutter von Nicole Kühnel nicht angemessen über die Wirkung ihrer Methode aufgeklärt hatte.[5][6]
Kritik
Es gibt einen Bericht über einen Patienten mit Herzschrittmacher aus den USA, der aufgrund einer Zapperanwendung eine Arrhythmie bekam. Über eine klinische Wirksamkeitsprüfung derartiger Geräte gegen Bakterien, Mikroorganismen oder Viren beim Menschen ist nichts bekannt und Zapper spielen in der wissenschaftlichen Medizin keine Rolle.
Der Arbeitskreis AKODH hat im Jahr 1999 ein solches Gerät geprüft (Dr. P. A. Müller), und das Ergebnis war ernüchternd / erschreckend: Abgesehen von faszinierend blinkenden bunten Glühlämpchen war (insbesondere an den für den Patienten gedachten Handelektroden) keinerlei physikalischer Output zu messen. Die in das Gerät integrierten Batterien versorgen also lediglich die Lämpchen, ansonsten ist das teure Gerät ein physikalisches Placebo.
Rechtliche Lage
Das auf den Geräten befindliche CE-Zeichen sagt nichts über seine Eignung als Medizinprodukt aus, sondern bezieht sich nur auf die Einhaltung von Vorschriften zur Produktsicherheit (z.B. elektrische Sicherheit, elektromagnetische Verträglichkeit, Ungiftigkeit). Mit dem CE-Zeichen versichert der Hersteller lediglich, dass das Produkt den geltenden europäischen Richtlinien entspricht. Ob es auch wirklich entsprechend geprüft wurde, ist daraus nicht zu erkennen. Die Erwartungshaltung des Kunden beim Einsatz macht jedoch aus einem derartigen Gerät ein medizinisches Gerät im Sinne des Gesetzes über Medizinprodukte (MPG), und als solches muss das Gerät zugelassen werden. Im Rahmen einer solchen Konformitätsbewertung wird von einer sog. Benannten Stelle in der EU eine vierstellige Nummer erteilt, die auf dem Gerät angebracht sein muss. Auch eine derartige Nummer sagt jedoch nichts über eine therapeutische oder diagnostische Wirksamkeit des Produktes aus.
In den USA wurde einem Zapper verkaufenden Unternehmen (cancercure.com) untersagt, gesundheitsbezogene Werbung für das Produkt zu machen. Insbesondere durfte nicht mehr behauptet werden, dass das Gerät Krankheiten heilen könne und insbesondere bei Alzheimer oder AIDS wirksam sei.
2003 wurde der Dr. Clark Association und der Schweizer Behandlungzentrum GmbH (die vom Scientologen David Amrein geführt wurde) durch ein US-Gericht untersagt, gesundheitsbezogene Werbung zu betreiben. Die Beklagten mussten eine Liste mit den Anschriften sämtlicher Kunden an das Gericht senden, jeden Kunden darüber informieren, dass die besagten Produkte keine medizinische Wirkung haben und allen Kunden anbieten, den Kaufpreis zu erstatten.
Siehe auch
Weblinks
- http://www.casewatch.org/ftc/enforcements/amrein/consent.shtml
- http://www.ncbi.nlm.nih.gov/sites/entrez?cmd=Retrieve&db=pubmed&dopt=Abstract&list_uids=15084709 Zapper und Herzschrittmacher
- http://www.casewatch.org/foreign/accc/raylight.shtml
- http://www.quackwatch.org/02ConsumerProtection/FTCActions/clarkassn.html
Quellennachweise
- ↑ Alison Abbott: "Scientists bust myth that our bodies have more bacteria than human cells - Decades-old assumption about microbiota revisited", nature news, 8.1.2016, http://www.nature.com/news/scientists-bust-myth-that-our-bodies-have-more-bacteria-than-human-cells-1.19136
- ↑ H. Treugut, M. Doepp: Energetische und Informationsmedizin http://www.dgeim.de/page1/page14/files/Energy_Medicine.rtf
- ↑ US Patent 5188738: Alternating current supplied electrically conductive method and system for treatment of blood and/or other body fluids with electric forces. Inventors: Steven Kaali, Peter M. Schwolsky. Filed: Nov 16, 1990. Date of patent: Feb 23, 1993
- ↑ TB-ELECTRONICS GmbH, Bahnhofstrasse 3, CH-9443 Widnau
- ↑ http://www.rtl.de/rtlaktuell/rtl_aktuell_artikel.php?article=31817&pos=1
- ↑ http://www.westfaelische-nachrichten.de/aktuelles/top_thema_2/1285334_Mit_dubiosen_Methoden_gegen_Krebs_aerztin_muss_12.000_Euro_Strafe_zahlen.html

